Afin de vous garantir le meilleur service possible dans notre eShop, nous utilisons des cookies. En savoir plus sur l'utilisation des cookies
0

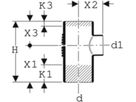
Silent Abzweig 88½°

Silent Abzweig 88½°

Produit SILABZW88
18
17.5
5.5
56
56
324.212
88.5
10.5
4.5
7.0
7.0
1.5
0.5
1.5
 
 
17.5
5.5
63
56
324.253
88.5
10.5
4.5
7.0
7.0
1.5
0.5
1.5
 
 
17.5
5.0
63
63
324.213
88.5
10.5
4.0
7.0
7.0
1.5
0.0
1.5
 
 
18.0
5.5
75
56
324.254
88.5
10.5
4.5
7.5
7.0
1.0
0.5
2.5
 
 
18.0
5.0
75
63
324.254
88.5
10.5
4.0
7.5
7.5
1.5
0.0
2.0
 
 
18.0
4.5
75
75
324.214
88.5
10.5
3.5
7.5
7.5
1.5
0.0
1.5
 
 
20.3
6.5
90
56
324.255
88.5
12.0
6.0
8.3
8.0
1.0
2.0
3.0
 
 
20.3
6.5
90
63
324.255
88.5
12.0
5.5
8.3
8.0
1.0
1.5
2.0
 
 
20.3
6.0
90
75
324.275
88.5
12.0
5.0
8.3
8.0
1.0
1.0
2.0
 
 
20.3
5.5
90
90
324.215
88.5
12.0
4.5
8.3
8.3
1.5
0.5
1.5
 
 
22.5
8.0
110
56
324.256
88.5
13.5
7.5
9.0
9.0
1.0
3.0
3.0
 
 
22.5
8.0
110
63
324.256
88.5
13.5
7.0
9.0
9.0
1.0
2.5
3.0
 
 
22.5
7.0
110
75
324.276
88.5
13.5
6.5
9.0
9.0
1.0
2.0
2.5
 
 
28.8
9.0
135
110
324.277
88.5
17.3
8.5
11.5
11.5
2.0
2.5
3.0
 
 
28.8
8.5
135
135
324.217
88.5
17.3
7.5
11.5
11.5
2.0
1.5
2.0
 
 
33.5
8.0
160
110
324.278
88.5
21.0
7.0
12.5
15.0
1.0
1.5
4.0
 
 
33.5
8.0
160
135
324.278
88.5
19.5
7.0
14.0
16.0
2.0
1.5
4.0
 
 
33.5
8.0
160
160
324.218
88.5
18.5
7.0
15.0
15.0
4.0
3.0
4.0
 
 

Derniers articles consultés

Vous êtes sûr de vous?