Winkel Rotguss 90° mit Flansch

Artikel-Nr:4.0094
Raric
Gefunden: 1
Material: Rotguss
L [mm]: ---
Z [mm]: ---
Winkel [°]: ---
Zeta: ---
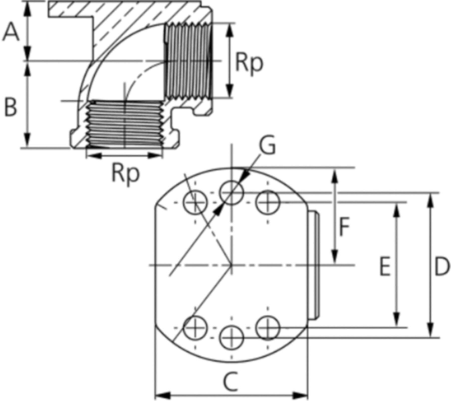
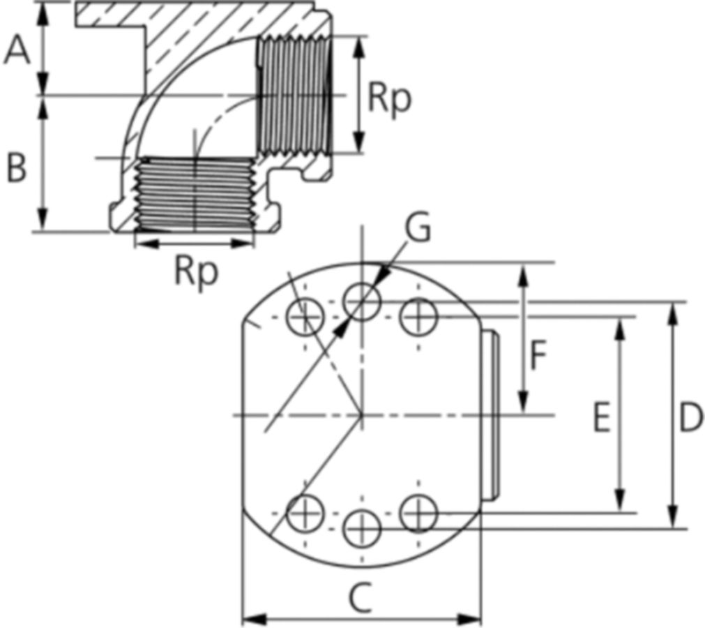
IG (Rp) [Zoll]: 1/2
Z2 [mm]: ---
IG (Rp1) [Zoll]: ---
Z1 [mm]: ---
L2 [mm]: ---
L1 [mm]: ---
AG (R) [Zoll]: ---
B [mm]: 24
A [mm]: 17
C [mm]: 42
G [mm]: 7
D [mm]: 40
E [mm]: 35
A [Zoll]: ---
F [mm]: 27
Winkel [°]: 90
Rotguss-Winkel Nr.   94      1/2" - mit Flansch
...
 

Beschreibung

- Mit Wandflansch
- Rotguss CC499K
- Gewindeart: IG-Rp / ISO 7-1
- SVGW Wasser 1/2" - 4"
- SVGW Gas 1/4" - 2"
- DVGW 3/8" - 2"

Zuletzt besuchte Artikel

Um Ihnen in unserem eShop den bestmöglichen Service zu gewährleisten verwenden wir Cookies. Erfahren Sie mehr über die Cookie-Nutzung