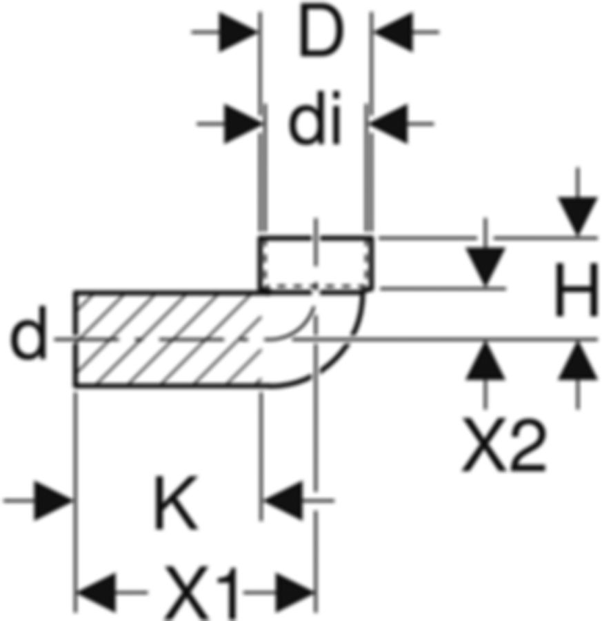
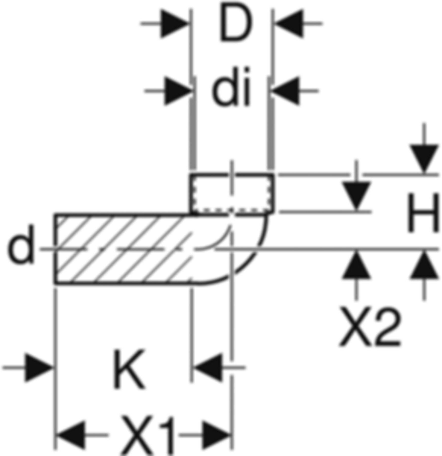
Geberit PE Bodenklosett-Bogen 88½°

Artikel-Nr:GEBBOKBOG
Geberit PE
Gefunden: 1

Beschreibung

- Für Sanitärapparate mit vertikalem Abgang
Um Ihnen in unserem eShop den bestmöglichen Service zu gewährleisten verwenden wir Cookies. Erfahren Sie mehr über die Cookie-Nutzung