Um Ihnen in unserem eShop den bestmöglichen Service zu gewährleisten verwenden wir Cookies. Erfahren Sie mehr über die
Cookie-Nutzung
0
Sanitärtechnik
Sanitärtechnik
Heizung, Lüftung, Klima
Heizung, Lüftung, Klima
Dachspenglerei, Blitzschutz
Dachspenglerei, Blitzschutz
Wasserversorgung
Wasserversorgung
Stahl / Metalle
Stahl / Metalle
Bewehrungsstahl
Bewehrungsstahl
Baumaterial
Baumaterial
Arbeitsschutz, Bekleidung
Arbeitsschutz, Bekleidung
Über uns
Über uns
Team
Kontakt, Öffnungszeiten & Maps
Jobs
AGBs und VLBs
Kontaktdaten
HTP Kataloge
Geschäftsbereiche
Geschäftsbereiche
Stahl
Baumaterial
Haustechnik
Arbeitskleider
Services
Services
Transportlogistik
Einfache Lagerbewirtschaftung
Technische Beratung
Reparaturservice
Pikett-Liste Wasserversorgung
Newsletter
Partner
Partner
Baumaterial
Haustechnik
Arbeitskleider
Sponsoring
Egger + Co. AG
DB Dusch Bad AG
Warenkorb
0
Deutsch
Deutsch
Français
Impressum
0
0
Sanitärtechnik
Hausinstallationssysteme
Pressfittings
Klemmfittings
Steckfittings
Klebefittings
Gewindefittings und Rohrnippel
mehr
Hausarmaturen
Armaturen
Kugelhahnen
Wasserzähler
Hygienespülungen
Armaturen Zubehör
Gebäudeentwässerung, Vorwandsysteme
Gebäudeentwässerung Geberit
Boden- und Dachentwässerung
Vorwandsystem
Tropfwasserrinnen
Tragschalen und Einlegehilfen
Hauseinführungen
Druckrohre PE und Rohrdurchführungen
Pressringe, Mauerkragen
Apparate
Boiler ATLANTIC
Boiler ATLANTIC Zubehör
Wasserenthärter
Rohrverbindungen
Klemmverbindungen
Schlauchkupplungen
Rohrkupplung STRAUB
Rohrverschraubungen SERTO
Abzweigstücke FLAMCO-T-Plus
mehr
Pumpen / Heizbänder
Pumpen
Heizbänder
Lüftungstechnik
Spiralrohre
Abluftgitter, -hut
Rohrschellen, Rohrisolationen, Dichtungen und Zubehör
Rohrschellen
Rohrisolationen
Dichtungen
Zubehör
Heizung, Lüftung, Klima
Wärmeerzeugung
Wärmeverteilung
Hausinstallationssysteme
Armaturen, Kesselverteiler
Sicherheitstechnik
Pumpen
Wärmeabgabe
Fussbodenheizung
Heizkörper
Heizkörper-Armaturen
Mess- und Regeltechnik
Kältetechnik
Lüftungstechnik
Spiralrohre
Abluftgitter, -hut
Rohrschellen, Rohrisolationen, Dichtungen und Zubehör
Rohrschellen
Rohrisolationen
Dichtungen
Zubehör
Ofenrohre
Dachspenglerei, Blitzschutz
Halbfabrikate
Spenglerei Halbfabrikate
Dachrinnen
Ablaufrohre
Rinnenhaken
Lüftungsbänder / Lochbleche / Gitter
mehr
Dachprodukte
Tafel- und Rollenblech
Bedachungsblech in Tafeln
Bedachungsblech in Rollen
Wellblech
Lochblech
Blitzschutz
Lüftungs- und Kaminhüte
Spenglerei Befestigungen
Spengler Zubehör
Schneefangsysteme
Wasserversorgung
Guss Druckrohre und Formstücke
Guss Formstücke
Guss Rohre
Armaturen Wasser
Hydranten
Klemmverbinder / Steckfittings
Mehrbereichs- und Reparaturkupplungen
PE-Druckrohre und Formstücke
Strassenkappen
Wasserleitungszubehör und Hilfsmittel
Hauseinführungen
Gebäudeeinführungen
Pressringe, Mauerkragen
Mietwerkzeuge
Stahl / Metalle
Stabstahl
Flachstahl
T-Stahl
U-Stahl
Winkelstahl
Vierkantstahl
mehr
Träger
kaltgerollte Profile
Bleche / Gitter
Flachbleche
Wellbleche
Bedachungsblech
Profilstahlbleche
geschweisste Gitter
mehr
Schweissfittings, Flanschen
Schweissfittings
Schweissflanschen
Rohrnippel schwarz
Edelstahl / Aluminium / Buntmetalle
Rundprofile
Bleche
Hohl- / Dekorohr
Flachprofile
Rechteckrohr
mehr
Löten, Schweissen, Schmieden
Löten
Schweisselektroden und Schweissdraht
Schweisszubehör
Schweisserschutz PSA
Laufschienen + Zubehör
Handlaufsystem
Rohrverbindungen
Zauntechnik
Stahl Zubehör
Stahlrohre
Gas- und Wasserleitungsrohre
Siederohre schwarz
Flachovalrohre
Rechteck-, Vierkantrohre
Geländerrohre
mehr
Bewehrungsstahl
Armierungsstahl Stäbe
Armierungsnetze / -matten
Anschlussnetze FORWA
Distanzkörbe KUFU / SUNO
Stellbügel
Fi-Ripa-Anschlusskörbe
BÜKO Bügelkörbe
Bewehrungsanschlüsse
Querkraftdorne CRET / HED
DURA-Körbe / Durchstanzbewehrungen
Baumaterial
1 - Zement, Kalk, PCI, Zuschlagstoffe, Sande
Bindemittel / Fertigmörtel
Allgemeine Bindemittel
PCI-Plattenprodukte
Liapor
Rheoplan
2 - Putze, Mauer- & Fugenmörtel
Fixit
Granol
Weber Marmoran
Weber St. Gobain
Sakret
3 - Kalksand-, Zement- & Backsteine, Ytong, Anker, Stürze
Backsteine
Kalksand- & Zementsteine
Ytong
Beton- & Stahltonstürze
Mauerwerkszubehör (-sperren, -bewehrung)
mehr
4 - Knauf, Protektor, Rigips, Perimeterdämmung & -dichtung
Knauf
Rigips / Alba
Filterplatten
Schichtex / Unitex
Grundmauerschutz
mehr
5 - Fermacell Gipsfaser, Schneider Best Wood & Gutex Holzfaser
Fermacell
Schneider Best Wood
Gutex
6 - Isolationen, Dichtheit, Folien, Dachpappen, Vlies
Isover Glaswolle
Flumroc Steinwolle
RIWEGA Produkte
Schaumstoffe EPS/XPS/PIR & PE-Streifen
Trittschall & Lärmschutz
mehr
7 - Kamine, Kaminhüte
Kaminhüte Beton
Kaminhüte Kupfer & Inox
8 - Zementrohre, Normschachtboden, Lichtschächte & Entwässerungsrinnen
Zementrohre, Brunnenringe, Zementkonusse, Sickerschacht
WYSS - Normschächte
Betonschachtrahmen
Schachtrahmen mit Gussrost
Betonrinnen
mehr
9 - Gartenbau - Natur- & Betonsteinzeug
Gartenplatten
Block- & Winkelstufen
Stellplatten & Gartenbordüren, Rand-, Bund- & Stellsteine
Mauersteine
Verbundsteine, Pflastersteine, Rasengitter/Rasenkanten
mehr
10 - Klebe- und Abdeckbänder, Silikone
Abdeckbänder / Malerband
Abdeckpapier, Abdeckfolien, Abdeckvlies, Abdeckplanen
Beton-, Warnbänder
Dicht- und Spachtelmasse Kitt, PU-Schäume
11 - Kunststoffrohre & Formstücke, Kabelschutzrohre, Drainrohre, Schachtfutter
PP Rohre und Formstücke
PE Rohre und Formstücke
Kabelschutzrohre
Kunststoffrohr-Zubehör
Drainage Rohre und Zubehör
mehr
12 - Schachtleitern & -zubehör
13 - Schachtabdeckungen Guss/Beton, Bodenabläufe, Begu-Deckel
Gussdeckel Nottaris
Gussbodenabläufe VonRoll
Gussdeckel BGS
14 - Schalungszubehör, Nägel, Drahtbinder, Distanzhalter, Kantenprofile
Putzeckleisten
Baustifte / Nägel
Isolationsdübel
Armierungs-Distanzhalter und Schutzprofile
Befestigungstechnik fischer
mehr
15 - Bauwerkzeug, Absperrmaterial, Markierspray, Span-Set, Bauschaum
Parkplatz- und Absperrsysteme
Signaltafeln und -Ständer
Dosen und Kartuschen
Werkzeuge und Zubehör
Gurte und Seile
mehr
16 - WEDI Bauplatten
WEDI - Bauplatten
17 - Chemisch-technische Baustoffe, Reinigungsmittel
Sika - Produkte
PCI - Bauprodukte
Strassenbauprodukte, Bitumen
Diverse Bauchemie
18 - Holzwaren, Latten, Leisten, Schaltafeln, Schalungsträger, OSB Platten
Holz für Dach
OSB - Platten
Massivholz- & Naturholzplatten
Dreikantleisten
Schalungsmaterial & Zubehör
19 - Dach- & Fassadenprodukte, Eternit, Ziegel, Dachfenster, Unterdach
Dachziegel Rapperswil
Dachziegel Zubehör
Schneider Best Wood
RIWEGA Produkte
Welleternit
mehr
Arbeitsschutz, Bekleidung
Kopfschutz, Augen-, Ohr- und Atemschutz
Schutzhelme, Hüte, Mützen
Augenschutz, Schutzbrillen
Gehörschutz
Atemschutz, Schutzmasken
Handschuhe, Handreinigung und Pflege
Handschuhe
Schuhe und Stiefel, Bein- und Knieschutz
Sicherheitsschuhe
Knieschutz
Stiefel
Socken, Einlegesohlen, Schnürsenkel
Schuhpflege und Zubehör
Sicherheitsbekleidung, Körperschutz
Sicherheits-Regenbekleidung
Sicherheitsjacken
Sicherheits T-Shirts, Sweatshirts, Westen
Sicherheitshosen
Sicherheits-Latzhosen, -Kombis
mehr
Arbeitsbekleidung und Körperschutz
Funktions-Unterwäsche
Westen, Gilets
Jacken
Hosen
Regenbekleidung
mehr
Sicherheit am Arbeitsplatz
Erste Hilfe
Alltags- und Bürobekleidung
Hemden
Blusen
Pullover, Sweatshirts, Pullunder
T-Shirt/Poloshirt
Freizeitjacke/-Weste, Blazer
mehr
mehr
Start
Sortiment
Sanitärtechnik
Gebäudeentwässerung, Vorwandsysteme
Boden- und Dachentwässerung
Duschentwässerung
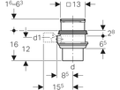
Geberit Bodenablauf VARINO
Geberit Bodenablauf Varino 110
vertikal
×
Geberit Bodenablauf Varino 110
Geberit Bodenablauf Varino 110
vertikal
Ihr Preis / Stk.
196.74
In Einkaufsliste
3 Stk.
Art-Nr
388022
EAN Code
2100000308439
Eigene Artikel-Nr.
Spezifikationen
Spezifikationen
NPK-Nr.
635.135
Ø d [mm]
110
Ø d1 [mm]
50
Ø d1 [mm]
50
Zuletzt besuchte Artikel
Sind Sie sich sicher?