Um Ihnen in unserem eShop den bestmöglichen Service zu gewährleisten verwenden wir Cookies. Erfahren Sie mehr über die Cookie-Nutzung
0

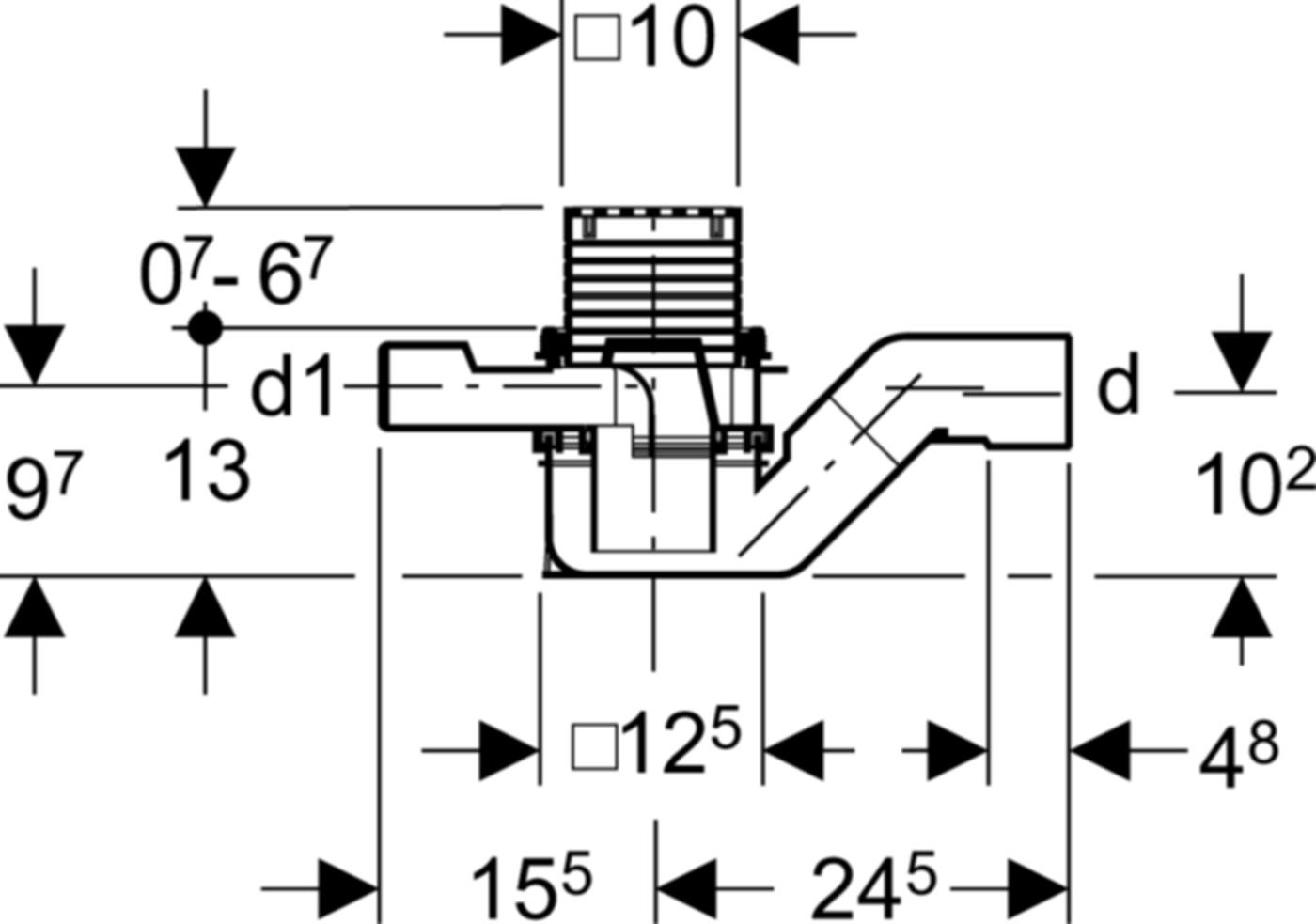
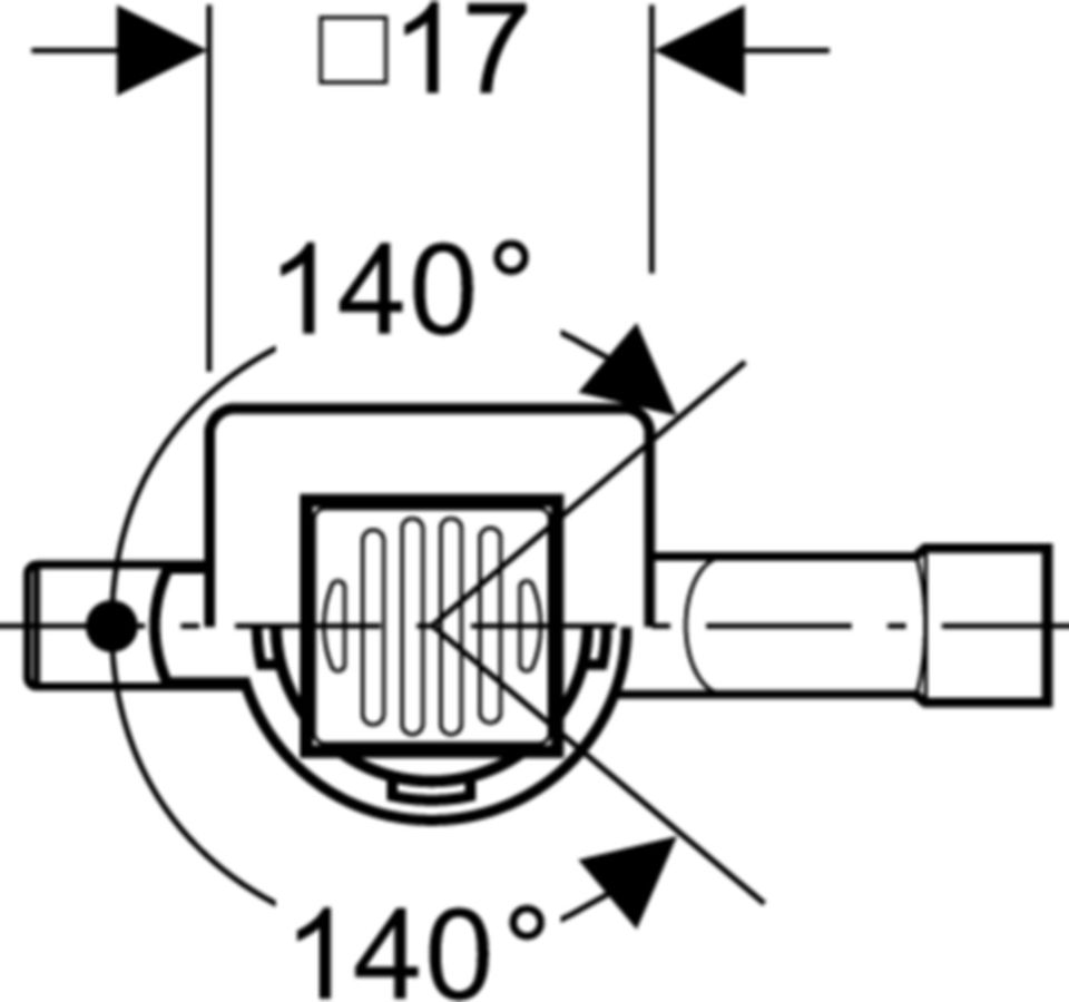
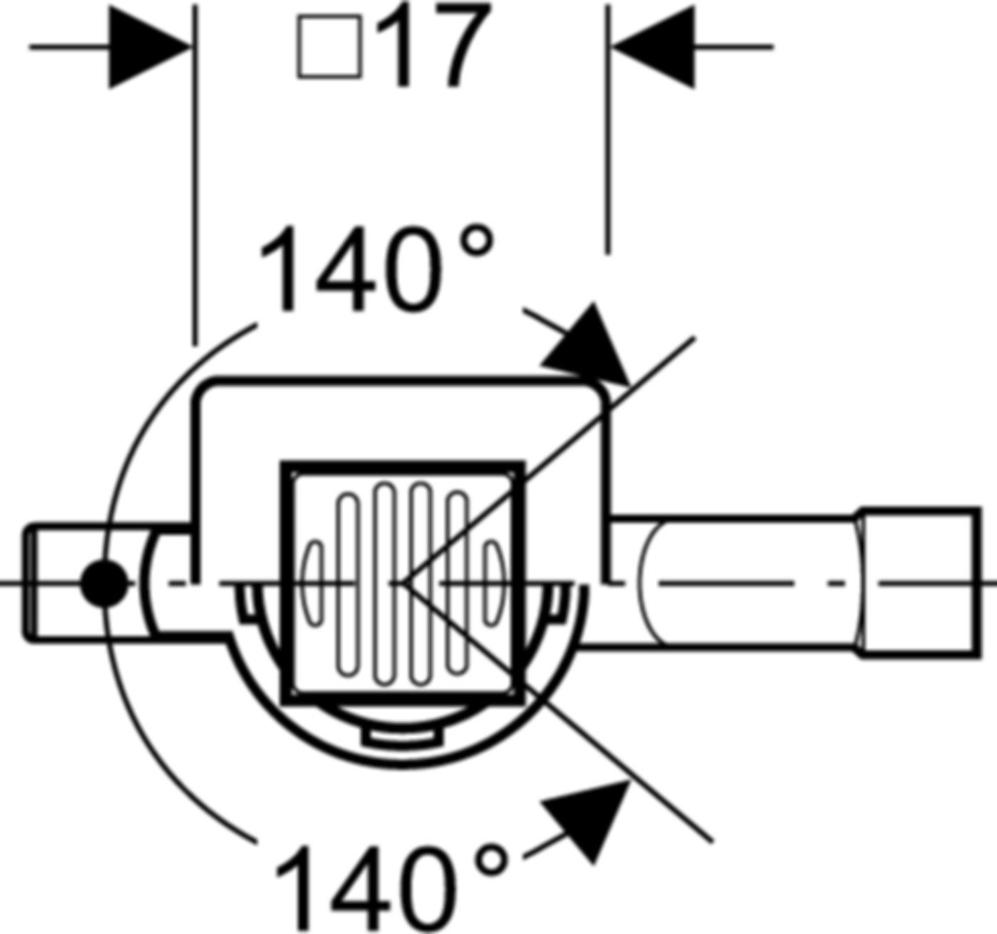
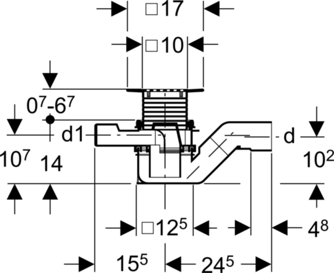
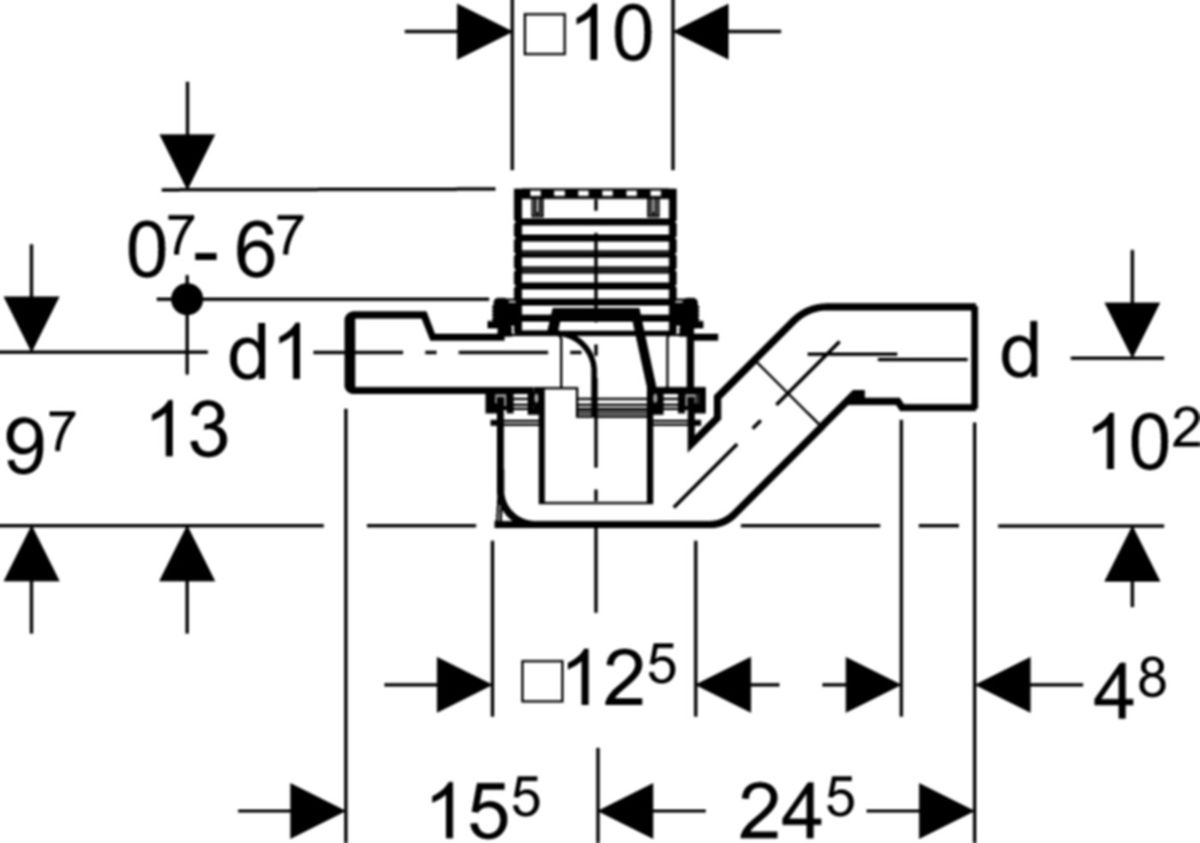
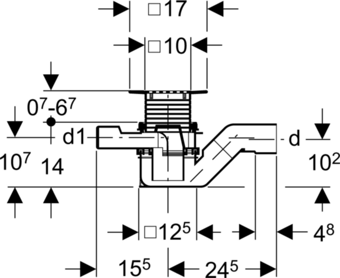
Geberit Bodenablauf CASA

Geberit Bodenablauf CASA

Produkt GEBBA
1

Zuletzt besuchte Artikel

Sind Sie sich sicher?