Um Ihnen in unserem eShop den bestmöglichen Service zu gewährleisten verwenden wir Cookies. Erfahren Sie mehr über die Cookie-Nutzung
0

Dübel DuoSeal

Der abdichtende Dübel für im Nassbereich

Dübel DuoSeal

Der abdichtende Dübel für im Nassbereich

Produkt FIDS
2

Beschreibung

Top Features

Perfektes Abdichten des Bohrlochs ohne Silikon.

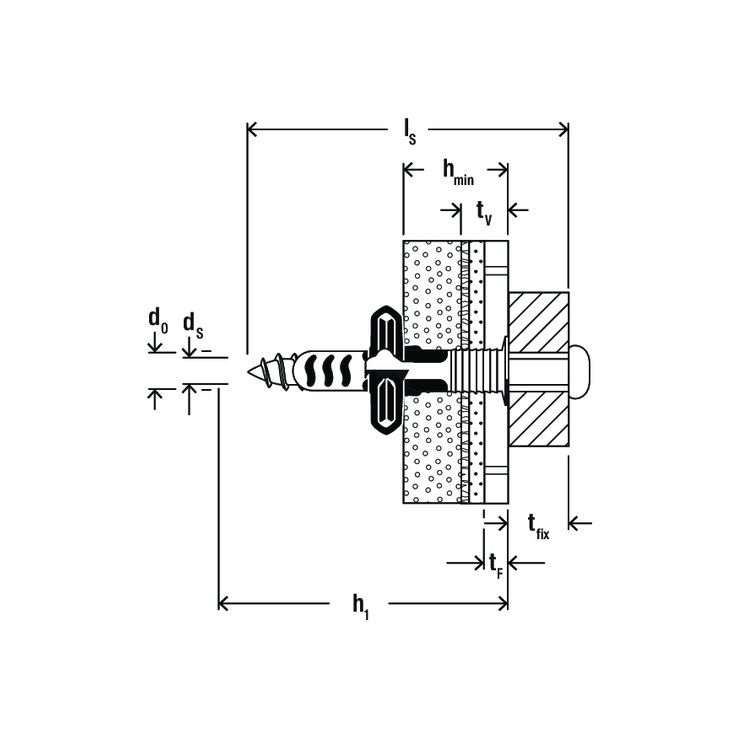
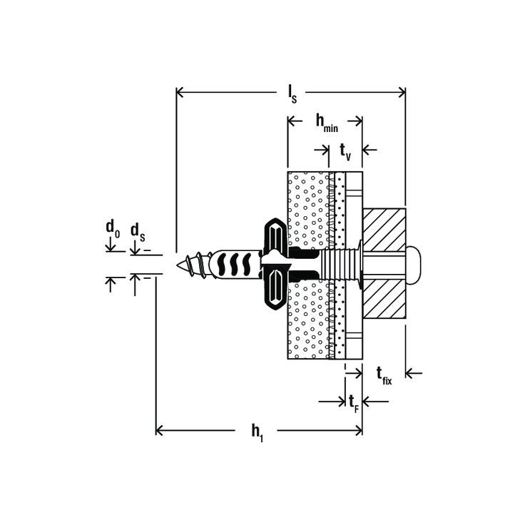
Geprüft auf Wasserdichtheit bis zur Wassereinwirkungsklasse W3-I gemäß Abdichtungsnormen DIN 18534 und ETAG 022. Für den deutschen Markt wird empfohlen, den DuoSeal nur bis zur Wassereinwirkungsklasse W1-I einzusetzen, da ungeplante Durchdringungen ab W2-I gemäß DIN 18534 derzeit noch nicht vorgesehen sind.

Schnelle und einfache Montage durch leichtes Einhämmern des Dübels.

Universell einsetzbar in allen Baustoffen.

Hohe Lastwerte aufgrund der 2K-Materialkomponenten.

Downloads

10938180501534.pdf (925.2 KB)

Download

Zuletzt besuchte Artikel

Sind Sie sich sicher?